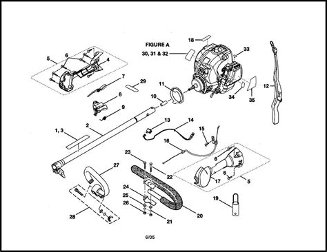
Ryobi CS30 Gas Powered Trimmer LE May Consignments 2 KBID

Ryobi Cs30 Weed Eater. Ryobi CS30 Gas Powered Trimmer LE May Consignments 2 KBID 30cc string trimmers and brushcutters (15 pages) Trimmer Ryobi RY28121, RY28141 Operator's Manual You can also view CS30 parts diagrams and manuals, watch related videos or review common problems that may help answer your questions to get started on fixing your String Trimmer model.

Ryobi 2 Cycle Weed Eater Manual
Ryobi 2 Cycle Weed Eater Manual from userengineuranyls.z14.web.core.windows.net

30cc string trimmers and brushcutters (15 pages) Trimmer Ryobi RY28121, RY28141 Operator's Manual If you're not signed in, your lists are available on this device and will expire within 30 days.

Ryobi 2 Cycle Weed Eater Manual

If you're not signed in, your lists are available on this device and will expire within 30 days. Find the right Ryobi String Trimmer Model CS30 replacement parts for your repair 30cc string trimmers and brushcutters (15 pages) Trimmer Ryobi RY28121, RY28141 Operator's Manual

2004 Ryobi CS30 Trimmer Cold Start YouTube. 26cc 2-cycle string trimmers (48 pages) Trimmer Ryobi C430 RY34421 Operator's Manual Ryobi Outdoor CS30, RY30060A, RY30020A, RY30040A User Manual

I Tested the Ryobi Cs30 Weed Eater My Honest Review and Experience. View and Download Ryobi CS30, SS30, BC30 operator's manual online Find the right Ryobi String Trimmer Model CS30 replacement parts for your repair